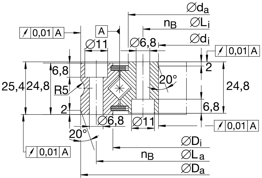
| 型号 | 主要尺寸(mm) | 安装孔 | 旋转精度(跳动)(mm) | 基本额定载荷(kN) | 质量 | |||||||||||
| Da | di | Di | da | La(mm) | Li(mm) | na 1) | A | B | C | D | Ca | Coa | Cr | Cor | kg | |
| XSU 140414 | 484 | 344 | 415 | 413 | 460 | 368 | 24 | 0.04 | 0.04 | 0.06 | 0.06 | 229 | 520 | 146 | 250 | 28 |
| XSU 140544 | 614 | 474 | 545 | 543 | 590 | 498 | 32 | 0.04 | 0.04 | 0.07 | 0.06 | 270 | 680 | 170 | 330 | 38 |
| XSU 140644 | 714 | 574 | 645 | 643 | 690 | 598 | 36 | 0.05 | 0.05 | 0.08 | 0.07 | 270 | 680 | 185 | 395 | 44 |
| XSU 140744 | 814 | 674 | 745 | 743 | 790 | 698 | 40 | 0.05 | 0.05 | 0.09 | 0.08 | 315 | 930 | 200 | 455 | 52 |
| XSU 140844 | 914 | 774 | 845 | 843 | 890 | 798 | 40 | 0.06 | 0.06 | 0.09 | 0.08 | 340 | 1050 | 215 | 510 | 60 |
| XSU 140944 | 1014 | 874 | 945 | 943 | 990 | 898 | 44 | 0.06 | 0.06 | 0.11 | 0.09 | 360 | 1170 | 227 | 580 | 67 |
| XSU 141094 | 1164 | 1024 | 1095 | 1093 | 1140 | 1048 | 48 | 0.07 | 0.07 | 0.11 | 0.11 | 390 | 1360 | 246 | 670 | 77 |
XSU14系列交叉圆柱滚子轴承的结构为一个整体内圈和一个整体外圈。因此同时适合外圈旋转和内圈旋转的使用场合。另外由于轴承本身具有安装孔,可以直接将轴承与法兰连接,安装非常方便。
XSU14系列交叉圆柱滚子轴承因滚动体为滚子且在90°的V形滚道面上相互垂直排列,所以单个轴承就可承受径向载荷、轴向载荷及倾覆力矩等所有方向的负荷。
XSU14系列交叉圆柱滚子轴承具有很高的精度,滚动体之间装有隔离块,防止滚动体之间的相互摩擦和滚动体倾倒所造成的旋转扭矩增加。即使被施加预压,也能获得稳定的高精度旋转运动。